



类别: 瓷质绝缘子
低压瓷瓶绝缘子
Low-voltage porcelain insulators
电车绝缘子

概述:
用于电车线路和吊车滑触线上,作绝缘及固定导电部分用。其安装使用地点的周围环境温度为-40℃~+40℃,海拔不超过1000m。
绝缘子按结构型式分为悬挂式和瓷环式,悬挂式绝缘子在使用时还要胶装不同形式的附件。
技术标准:
JB/T 10585.4-2006 《低压电力线路绝缘子 第4部分:电车线路用绝缘子》
型号说明:
W——电车线路用绝缘子;
X——悬挂式;
H——瓷环式;
“-”后数字为顺序号。

技术参数表

蝶式瓷绝缘子


技术参数表

拉紧绝缘子


技术参数表

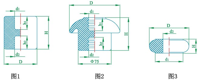
针式瓷绝缘子


低压针式绝缘子技术参数表

线轴瓷绝缘子


技术参数表

厂办公室:0317-3888834
业务手机:19931728399 王经理
物流查询:17332789634 张经理
国际业务:17659724441 张经理
技术咨询:15033364805 王工
监督投诉:0317-3668996 15127793327
公司地址:河北省沧州市河间市沙河桥开发区
高亚电力总部位于河北沧州市沙河桥开发区,是一家集科研、制造、贸易、销售于一体的大型无区域公司,注册资本2688万元。公司主要生产经营±800kV直流/1000kV交流及以下的电力金具、高低压输配电的成套开关设备、±800kV直流/750kV交流及以下的绝缘子、220kV及以下的避雷器、110kV及以下的隔离开关、熔断器,并覆盖变电台区配套设备。市场营销网络覆盖全国并远销欧洲、南美洲、中东、亚洲、非洲等多个国家和地区...
版权所有:河北高亚电力器材有限公司 备案号:冀ICP备16024265号